TQ-F2法蘭式稱重傳感器
編號:10264
查看:
發布:2021-08-10
TQ-F2法蘭式稱重傳感器采用優質合金鋼,經典審計、結構合理、力學特性優良;精密溫度補償、高精度、低溫票、適合長期使用;使用壽命長、可靠性好,安裝方便,維護方便。
編號:10264
查看:
發布:2021-08-10
TQ-F2法蘭式稱重傳感器采用優質合金鋼,經典審計、結構合理、力學特性優良;精密溫度補償、高精度、低溫票、適合長期使用;使用壽命長、可靠性好,安裝方便,維護方便。
產品特點:TQ-F2法蘭式稱重傳感器采用優質合金鋼,經典審計、結構合理、力學特性優良;精密溫度補償、高精度、低溫票、適合長期使用;使用壽命長、可靠性好,安裝方便,維護方便。
產品用途:TQ-F2法蘭式稱重傳感器適用于罐料秤、干粉砂漿罐稱重使用。抗過載能力強、穩定可靠、適用于惡劣的工業環境。
量程:50kN(5t)、100kN(10t)、150kN(15t)、200kN(20t)
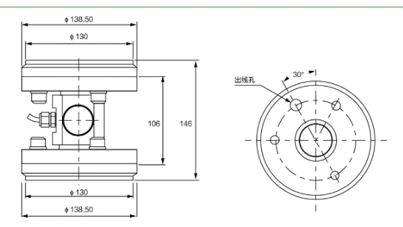
技術參數及外形尺寸:
序號 | 產品技術參數 | |
1 | 額定載荷 | 5t、10t,15t,20t |
2 | 綜合誤差 | ±0.02%F.S |
3 | 靈敏度 | 2.000±0.002mV/V |
4 | 蠕變 | ±0.02%F.S |
5 | 零點平衡 | ±1%F.S |
6 | 輸入阻抗 | 380±10Ω |
7 | 輸出阻抗 | 350±5Ω |
8 | 絕緣阻抗 | ≥5000MΩ |
9 | 補償溫度范圍 | -30~70℃ |
10 | 工作溫度范圍 | -30~70℃ |
10 | 安全過載 | 150%F.S |
11 | 極限過載 | 200%F.S |
12 | 材質 | 合金鋼 |
13 | 推薦工作電壓 | 5V-18V(DC) |
14 | 最大工作電壓 | 24V |
15 | 輸出溫度影響 | ±0.02%F.S |
16 | 零點溫度影響 | ±0.02%F.S |
17 | 電纜 | 5m |
18 | 接線方式 | 紅……E+(輸入正) 黑……E-(輸入負) 綠……S+(輸出正) 白……S-(輸出負) |

圖片與實物略有差異,以實物為準 / 濟南泰欽保留隨時更改、撤消產品型號、規格的權利,恕不另行通知